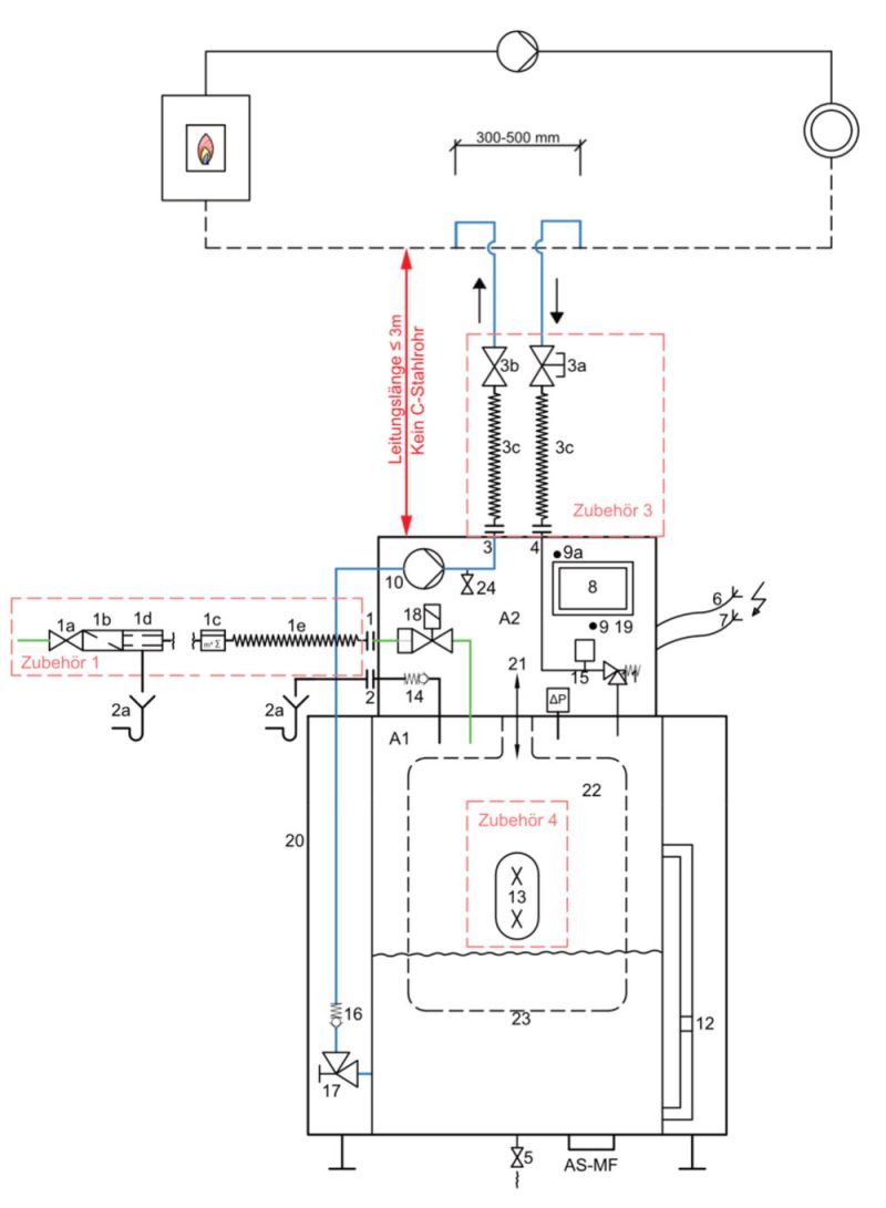
Funktionsbeschreibung
Das AIR-SEP® Gerät ist eine Druckhaltestation für Heiz-, Kühl- und Kältesysteme. Es übernimmt die Funktionen der Druckhaltung, Ausdehnung, Entgasung und
Nachspeisung von Wasser bzw. von Wasser-Glykol-Gemischen. Das Gerät besteht aus mindestens einem Armaturen- und Steuerbereich (A2) - inkl. Touch-Screen Farbdisplay (8) - und einem Entgasungs- und Ausdehnungsbehälter (A1).
Druckhaltung
Über den Drucksensor (19) erfolgt die Drucküberwachung im Anlagensystem. AIR-SEP® stellt dabei sicher, dass der Anlagendruck zu jeder Zeit optimal gehalten wird. Kühlt sich das Wasser ab, fällt der Druck im Anlagensystem. Bei Unterschreitung des eingestellten Druckes wird die Druckhaltepumpe (10) eingeschalten und fördert nun das bereits entgaste Wasser aus dem Ausdehnungsbehälter (A1) über den Anschluss Druckhaltung (3) zurück in die Anlage. Der Druck im Anlagensystem steigt an. Beim Erreichen des gewünschten Anlagendrucks schaltet die Pumpe - angesteuert über den Drucksensor - wieder ab.
Ausdehnung
Durch Temperaturanstieg, erhöht sich der Druck im Anlagensystem. Bei Überschreitung des eingestellten Druckes öffnet das Überströmventil (11) und lässt Wasser aus der Anlage über die Ausdehnungsleitung (4) in den zur Atmosphäre geschlossenen Ausdehnungsbehälter (A1) einströmen. Der Druck im System reduziert sich auf Sollwertvorgabe und das Überströmventil (11) schließt wieder. Das expandierte Wasser wird im Ausdehnungsbehälter (A1) aufgefangen und später wieder zur Druckhaltung genutzt. Eine Trennschicht (23) separiert den Ausdehnungsbehälter (A1) in einen Luft- und einen Wasserraum und verhindert so sicher das Eindringen von Luftsauerstoff in das Ausdehnungswasser. Nur der Luftraum steht über eine Be- und Entlüftungsleitung (21) mit der Atmosphäre in Verbindung. Die komplette hydraulische Verrohrung ist, inklusive des Armaturen- und Steuerbereiches (A2), auf dem Ausdehnungsbehälter (A1) aufgebaut. Es können optional mehrere Ausdehnungsbehälter – auch mit einem zweiten Armaturen- und Steuerbereich - angeschlossen werden.
Entgasung
Für die Entgasung des Anlagenwassers werden die zwei hydraulischen Anschlüsse „EIN (4)“ und „AUS (3)“ benötigt. Die Leitung „EIN“ führt das gasreiche Wasser zum AIR-SEP® Gerät. Die Leitung „AUS“ ist eine Rückleitung für das entgaste Wasser zur Anlage. Während der Entgasung befindet sich die Pumpe (10) und das Überströmventil (11) in Betrieb. Dadurch wird ein gasreicher Teilstrom des Anlagenwassers über den drucklosen Ausdehnungsbehälter geführt. Hier werden die freien und gelösten Gase über den Atmosphärendruck aus dem Wasser ausgeschieden und über das Entgasungsventil mit Rückbelüftungssperre (14) sicher abgeführt. Das Überströmventil (11) gewährleistet den hydraulischen Abgleich durch die Regelung des Ventilhubs. Die wiederkehrenden Prozesse entgasen das System effizient und eindringende Luft wird immer wieder abgeschieden. Die Entgasung findet in den Betriebsarten: Nachspeisung, Ausdehnung sowie in der Intervall- und Schnell-Entgasung statt.
Nachspeisung
Wird der Mindestwasserstand im Ausdehnungsbehälter unterschritten, öffnet das Nachspeiseventil (18) so lange bis die gewünschte Wasservorlage, überwacht durch den Niveauschalter am Wasserstandsglas (12), wieder erreicht ist. Dabei werden die Nachspeisemengen, Häufigkeiten oder Kapazitäten von Enthärtung oder Entsalzung kontrolliert und überwacht.
Reinigung
Im Beruhigungsbereich des Entgasungs- und Ausdehnungsbehälters (A1) setzen sich Salze, Mineralien und Schwebeteile ab. Der optionale Magnetitfilter (AS-MF) fixiert zusätzlich alle magnetischen Partikel im Behälter. Über die Reinigungsöffnung (13) können der Schlamm und das Magnetit dauerhaft aus dem System entfernt werden. Das dient dem Schutz aller Bauteile in Ihrem Systemkreislauf (wie z.B. Effizienzpumpen, Ventile, Stopfbuchsen etc.) und gewährleistet einen dauerhaft sicheren Anlagenbetrieb.
Prinzipschema AIR-SEP® - Typ AS-T 100 bis 2400

